Định vị xe máy là thiết bị sử dụng vi mạch GPS cho phép giám sát từ xa, theo dõi hiệu quả và thông minh, đặc biệt với những xe có giá thành lớn, bảo vệ tuyệt đối khỏi mọi nguy cơ bị đánh cắp tài sản. Cách lắp đặt định vị xe máy cũng rất đơn giản, mọi tài xế đều có thể tự gắn tại nhà. Bài viết sau đây hướng dẫn bạn cách gắn đúng kỹ thuật nhất, đảm bảo không ảnh hưởng tới hệ thống điện và vận hành của xe.
1. Vị trí lắp định vị xe máy để đảm bảo an toàn nhất
1.1. Lưu ý về vị trí lắp đặt
Việc lựa chọn vị trí tốt nhất trong xe để lắp đặt thiết bị định vị xe máy dành cho xe máy cũng rất quan trọng, đảm bảo tính giấu kín, chống nước và truyền sóng tốt nhất. Theo đó, người dùng cần lưu ý những vấn đề sau đây trước khi bắt tay vào lắp:
1.2. Tư vấn về vị trí tối ưu để lắp đặt, thường được sử dụng trên các xe
Căn cứ vào các tiêu chí theo mô tả trên, hộp đèn phía trước xe máy và mặt nạ của xe là hai vị trí được lựa chọn tối ưu nhất. Hai vị trí này đảm bảo tính bí mật, thẩm mỹ và đạt tiêu chí hoạt động tốt. Thông thường định vị sẽ được thiết kế cho phép linh hoạt điện áp từ 9-90V để tất cả điện của mọi dòng xe đều dùng được. Phân tích chi tiết ưu điểm của 2 vị trí này như sau:
2. Quy trình để lắp thành công định vị dành cho xe máy
Bình thường các mẫu định vị xe máy thường có sẵn hàng tại kho của các tỉnh, thành phố, khi đặt mua sẽ có nhân viên gần nhất tới tận nơi lắp đặt và bàn giao. Nếu bạn đặt hàng định vị mà chưa bao lắp đặt thì có thể tham khảo quy trình các bước dưới đây tương đối đơn giản. Trong quá trình lắp bạn nên chú ý thêm đến nguồn điện, các đầu cắm để không ảnh hưởng tới vận hành của xe.
Bước 1: Chọn hãng phân phối định vị lớn, uy tín, giá hợp lý
Đây là bước đầu tiên và cũng là quan trọng nhất là phải tìm đến các thương hiệu uy tín, có độ phủ sóng rộng trên toàn quốc. Khi sử dụng sản phẩm bạn có thể nhận lại nhiều lợi ích như sau:
Các thiết bị thường có nhiều phiên bản từ cơ bản đến cao cấp. Các thiết bị cao cấp thường bổ sung các chức năng đặc thù ví dụ như như tắt máy từ xa bằng Relay, cảnh báo mức nhiên liệu. Tuỳ vào nhu cầu mà có thể chọn ra loại định vị phù hợp nhất.
Bước 2: Trang bị đầy đủ đồ nghề cho việc lắp đặt
Bạn cần trang bị một số dụng cụ cơ bản như tua vít, kiềm cắt dây điện, kéo cắt dây, máy đo dòng điện nếu có vì để lắp định vị giấu kín cần tháo lớp vỏ của xe ra. Thông thường thiết bị nào cũng sẽ đi kèm hướng dẫn lắp đặt bạn nên đọc kỹ các thông tin trong sách hướng dẫn sử dụng.
Bước 3: Đăng ký gói cước chuyên dành cho định vị và lắp sim 4G vào thiết bị
Thông thường các hộp định vị khi gửi tới khách hàng sẽ được lắp sẵn sim 4G và miễn phí gói cước 1 năm đầu. Nếu chưa có sim 4G hoặc chưa gắn sẵn vào mạch bạn cần tháo mạch ra, đưa sim vào đúng vị trí. Các sim này cần có gói cước và được kết nối mạng sẵn trước khi lắp vào. Tất cả định vị đều 100% có sim 4G vì bắt buộc để truyền dữ liệu.
Bước 4: Chọn vị trí phù hợp nhất để lắp
Như đã tư vấn ở trên người dùng có thể chọn tối ưu nhất vào mặt nạ phía trước xe hoặc hộp đèn, bạn cũng có thể chọn các vị trí khác miễn ổn định và bắt sóng tốt.
Bước 5: Tiến hành lắp đặt
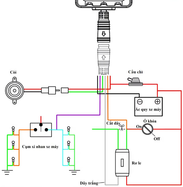
Các mẫu định vị dành cho xe gắn máy phổ biến hiện hành thường có 4 dây chính:
Sau khi tháo phần vỏ nhựa của xe ra, bạn thường thấy hệ thống dây điện song song trong đó có 1 dây cực dương và 1 dây cực âm. Để xác định dây dương bạn có thể tìm xem dây nào đang nối với cực dương của ắc quy. Nếu có nhiều dây điện quá có thể dùng đồng hồ để đo thử xem dây nào có dòng điện khoảng từ 12V - 24V là dây nguồn. Sau khi xác định được dây cần thiết có thể đấu nối vào cổng GND và VCC của mạch định vị dành cho xe gắn máy. Trong bộ định vị thường có dây sẵn đủ chiều dài để đấu nối vào nguồn điện, không cần cắt dây chính của xe.
Hotline: 0963.14.53.53 (Zalo) – 0902.889.777 hoặc 0866.222.900
Website: https://viettelnet.vn/dinh-vi-xe-may/
Thông tin liên hệ: